欢迎来访新乡市鹏帆机械设备有限公司网站!

24小时咨询热线:

李经理   13938754731


您当前的位置 : 首 页 > 产品中心 > 提升设备

联系我们Contact Us

新乡市鹏帆机械设备有限公司

联系人:

李经理  13938754731

电    话:0373-8026565

传    真:0373-8026565

邮    箱:yunpeng1686@126.com

网    址:www.xxspfjx.com

地    址:河南省新乡市牧野区建设路西段牛村新村北1号

TD(D)型胶带斗式提升机

2023-02-04 14:21:09
TD(D)型胶带斗式提升机
详细介绍:

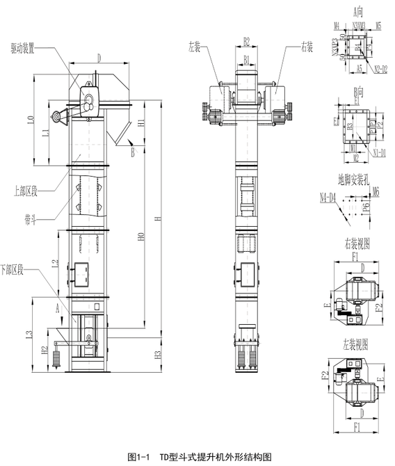
一.概述

TD,D型胶带斗式提升机适用于垂直输送粉状,粒状及小块状且磨琢性较小的散状物料,如粮食、煤、水泥、碎矿石等,提升高度40m,其特点为:结构简单,运行平稳,挖取式装料,离心式卸料,物料温度不超过60℃,TD型JB3926-85《垂直斗式提升机》标准设计制造,与传统D型斗提机相比,输送效率高,料斗型式多,应优先选用。

二,技术参数

TD、D型斗式提升机技术参数见表1-1

TD(D)型胶带斗式提升机

TD(D)型胶带斗式提升机 

TD(D)型胶带斗式提升机  

 

TD(D)型胶带斗式提升机

TD(D)型胶带斗式提升机

TD(D)型胶带斗式提升机

TD(D)型胶带斗式提升机


TD(D)型胶带斗式提升机

上一篇:GTD(GTH)高效斗式提升机2023-02-04
下一篇:没有了

联系人:李经理  13938754731

电    话:0373-8026565

邮    箱:yunpeng1686@126.com

地    址:河南省新乡市牧野区建设路西段牛村新村北1号

f5b1dea8-c807-45cf-b076-95cee0ef3cb5.jpg1617785095198636.png
添加微信访问手机站

服务支持:金动力网络
Copyright © 新乡市鹏帆机械设备有限公司    豫ICP备2021007793号-1

  87b93de790b0473e230fb2e84961c4f6_ghs.png豫公网安备41071102000684号                                                                                  免责声明  营业执照